Skip to content

abdussametkaci/DocumentManagementSystem_SoftwareEngineering

Folders and files

NameName
Last commit message
Last commit date

Latest commit

 

History

8 Commits
 
 
 
 
 
 

Repository files navigation

Document Management System (Software Engineering)

Requirement Specification

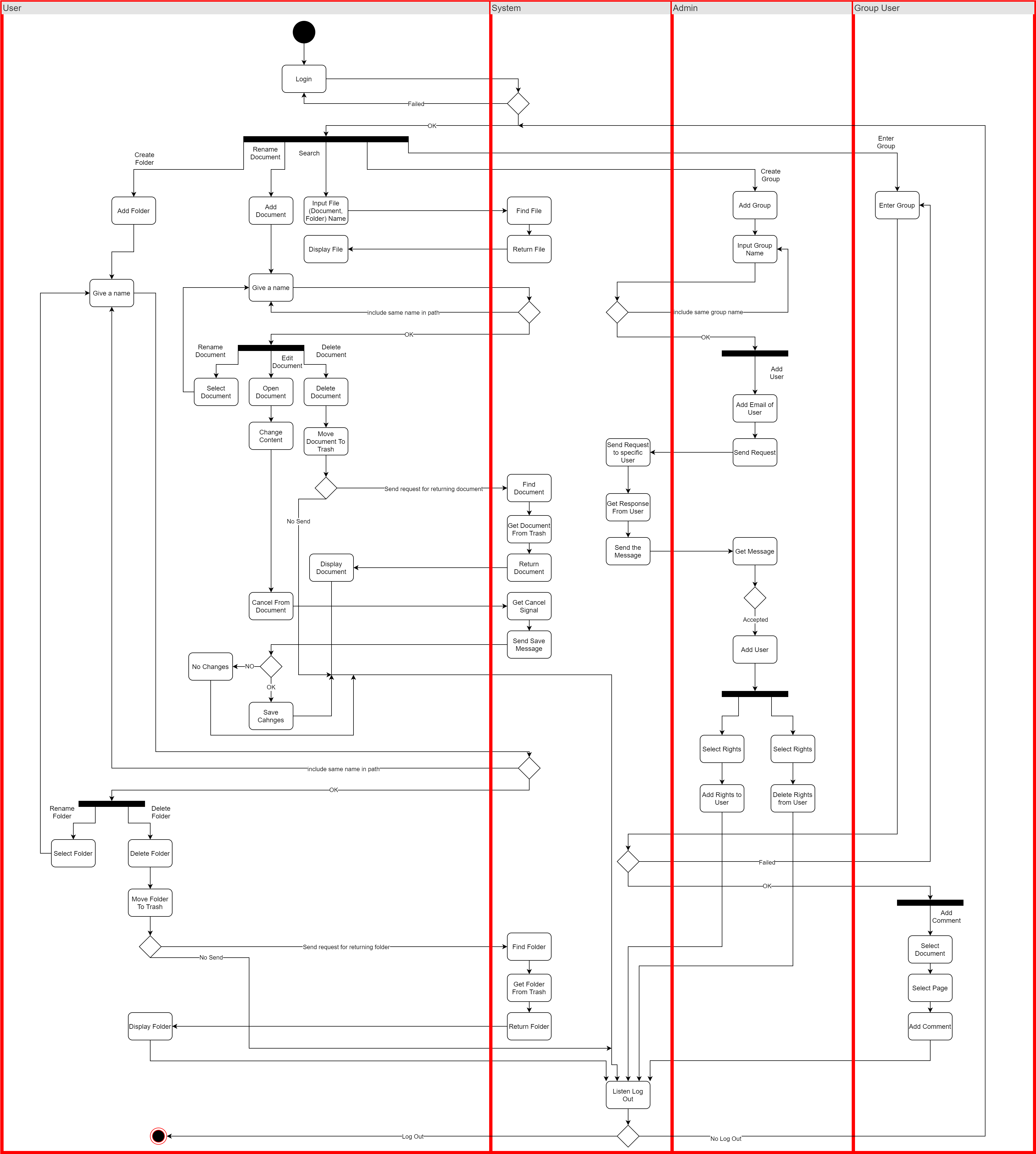
In this project, the requirements that should be in a document management system are used. If we summarize the project, a user logs into the system. Then all the owned documents are shown. Here, the user can do many things such as create documents, create folders, deleting, renaming, and returning files (docuents and folders) from trash. In addition, the user can create a group and add users there. Such users are called admins. These admins determine which user will have rights/permissions on the documents. They can add rights and then delete these rights. Users added to a group log into the group and all the details are shown. In other words, which users are there, which documents are there and what rights they have. These users can also add comments to a document. These comments are sent to all users as a message. Users also save after making any changes to the document they are working on. All versions of these records are kept in the system.

Use Case Diagram

Activity Diagram

Class Diagram

Bridge Design

I used this pattern to seperate file implementations from my file abstract class. When client want to use methods of documents and folders, file abstract class accesses the main classes and their methods over the file bridge and delivers to the client. Thus, the implementations abstracts its classes from the client. So, the client calls methods via abstract class.

Mediator Design

A user in a group can add comment about a file. This comment must be delivered to all users in the group. Because of this, I used for delivering messages (comments). Users (objects) can communicate each other in this patterns. In this pattern, CommentMediator is an interface and it is a mediator. It defines the interface for communication between Colleague objects. ConcreteMediator class implements the CommentMediator and coordinates the communication. User is my Colleague class and it GroupUser and Admin are Concrete Colleageues. GroupUser and Admin can send comments other colleagues throug CommentMediator.

Memento Design

When a user makes a changes in the documents, the user save the file and document management system store all versions of the file. I chose memento design to do this. My file class is originator class. It is used for saving which version (state). I have a VersionFile class and it is my memento class. It maintains the version of the file (originator). VersionTaker class is a CareTaker class and it stores all versions of the memento. So, I can access to any version of the file via VersionTaker.

Factory Design

In my system, there are Group Users and Admins and they are actually User. For creating Group User and Admin, I use factory pattern via FactoryUser. Because, by using User class, it can be cerated another object. So, when we can use User class, we can create Admin and Group User objects.

Memento Design Code

File.java

VersionFile.java

VersionTaker.java

Test.java

Output

About

Document Management System Project in Software Engineering Lesson

Topics

Resources

Stars

Watchers

Forks

Releases

No releases published

Packages

No packages published

Languages